Click for homepage
Schema
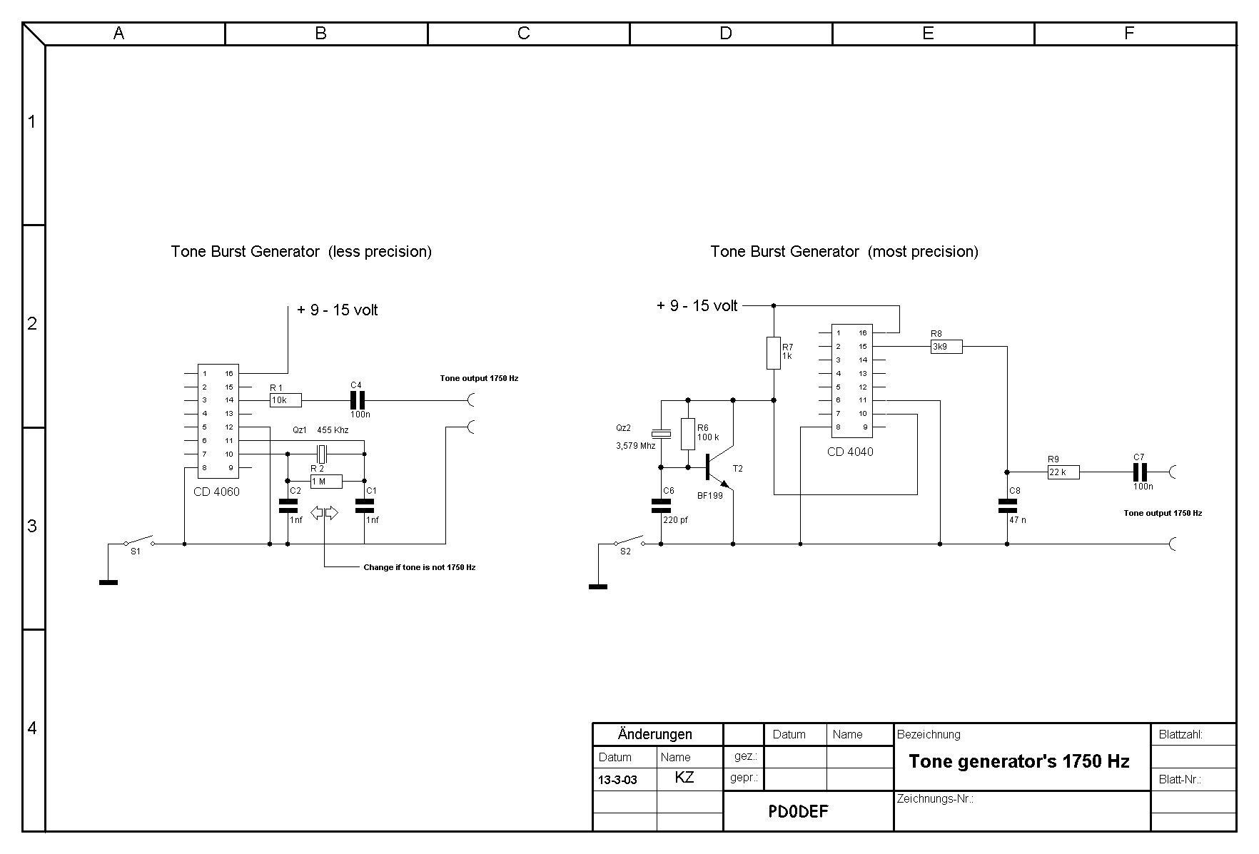
Het complete schema
Any links shown in red are currently unavailable. If you like the information on this website, why not make a donation?
© Crypto Museum. Last changed: Sunday, 18 May 2003 - 11:33 CET.
Click for homepage